Skip to main content

39 chrysler town and country wiring diagram

Chrysler Caravan, Voyager, Town and Country 1984-1995 ... Access our Chrysler Caravan, Voyager, Town and Country 1984-1995 Wiring Diagrams Repair Guide by creating an account or signing into your AutoZone Rewards account. Once you sign in, follow these instructions to access our Repair Guides. Add your vehicle in Manage My Vehicles. Enter your vehicle details. Chrysler Free Service Manual - Wiring Diagrams 2003 Chrysler RG 2.5L Voyager Service Manual Supplement PDF. 2004 Chrysler PL SRT-4 and Neon Technical Publications PDF. 2008 Chrysler Pacifica Owner's Manual. 2011-2014 Chrysler Minivan Service Manual. Chrysler 160 160-G.T. 180 Workshop Manual PDF. Chrysler Conquest 1988 Engine, Chassis, Body Service Manual PDF.

SOLVED: Chrysler town and country wiring diagram - Fixya On the tensioner there is a little square hole on the frount of it, that is for your 3/8 socket ,but use a breaker bar insert it into hole and turn it and you will see belt come loose,, get diagram of how it winds back on at the parts store you got the belt at. Mar 16, 2011 • 2002 Chrysler Town & Country 0 helpful 1 answer

Chrysler town and country wiring diagram

Chrysler town and country wiring diagram

PDF 2001 Town Country Manual 1998 Chrysler Town \u0026 Country Transmission Diagnosis -Fixing it ForwardFree Chilton Manuals Online Chrysler Town \u0026 Country Transmission Removal and Replacement How To Do a Hard Reset On Your Chrysler / Dodge / Jeep Vehicle TIPM / Fuse Box Quick Tip: Signs of a blown IOD Fuse on a Chrysler, Dodge, Jeep, Fiat, or Ram product Download Free Chrysler Town and Country Repair Manual PDF A large portion of the manual is also dedicated to electrical equipment and wiring diagrams e.g. audio, ignition system, vehicle theft security, message system, lamps, etc. What will you learn from a Town and Country Repair Manual? The free downloadable book outlines factory recommended service, maintenance, troubleshooting and repair procedures. PDF Chrysler Engine Diagrams diagram for the 3.0L engine-1997-99 Access our Chrysler Caravan, Voyager, Town and Country 1996-1999 Vacuum Diagrams Repair Guide by creating an account or signing Chrysler Engine Vacuum Diagrams - time.simplify.com.my Wiring Diagram For Chrysler 300 Diagrams Schematics Simple We collect lots of pictures about 2006 Chrysler 300 Engine

Chrysler town and country wiring diagram. CHRYSLER - Car PDF Manual, Wiring Diagram & Fault Codes DTC CHRYSLER Car Manuals PDF & Wiring Diagrams above the page - 200, 300, Minivan, Pacifica, Town & Country; Chrysler EWDs - Imperial, New Yorker, Newport, Concorde, Cordoba; Chrysler standard and specific Fault Codes DTC.. Chrysler was founded in 1923.. The first car produced by Chrysler was in 1924. It was a six cylinder with hydraulic brakes. The car sold 43,000 at $1645. CHRYSLER Car Radio Stereo Audio Wiring Diagram Autoradio ... Plug the amplifier. Connector amplifier "JEEP GRANG CHEROKEE 1999 - 2004 Plug the amplifier. 12 pin cable to connect the amplifier, a view from the contacts 18 pin cable to connect the amplifier, a view from the contacts CHRYSLER P05064066AE Chrysler P0509456AE Chrysler P56038555AK Chrysler RAH Chrysler RET Alpine Chrysler P05064300AB Chrysler - Wiring Diagrams Electrical equipment of cars CHRYSLER Town & Country, DODGE Caravan, PLYMOUTH Voyager (models 1984 - 1995) Scheme of connections of the generator (engine 2,2) Diagram of generator connections (engine 2.5) Wiring diagram of the generator (engine 2,6) Scheme of connections of the generator (engines 3,0 and 3,3) Chrysler Town & Country Touring 2012 - Wiring diagrams for ... All Wiring Diagrams for Chrysler Town & Country Touring 2012КатегорииChrysler Town & Country Touring 2012 - ALL WIRING DIAGRAMS Chrysler Town & Country Touring 2012. Car Wiring Diagrams. PORTAL-DIAGNOSTOV Login/Sign up [email protected] INN 780629886224 Currency: USD ...

Chrysler Town and Country Repair & Service Manuals (23 PDF's We have 23 Chrysler Town and Country manuals covering a total of 11 years of production. In the table below you can see 0 Town and Country Workshop Manuals,12 Town and Country Owners Manuals and 10 Miscellaneous Chrysler Town and Country downloads. Our most popular manual is the Chyrsler - Town and Country - Owners Manual - 2005 - 2005 . free electrical diagrams | The Chrysler Minivan Fan Club ... Go to to the Mopar Connection repair kits website Lookup your vehicle Look for the component you need wiring info for Click on it and you will get everything you need to trace or diagnose the circuit Sometimes, there will be a connector diagram as well to help you determine pin location Download 2008-2009 Dodge Grand Caravan, Chrysler Town And ... This is the original OEM service and workshop repair manual of the 2008-2009 Dodge Grand Caravan, Chrysler Town and Country LX in simple PDF file format. This service manual has been prepared to provide Dodge/Chrysler technicians with the necessary information and guidance for the correct service, repair and maintenance of 2008-2009 Dodge Grand Caravan, Chrysler Town & Country LX. PDF 2001 Chrysler Voyager Wiring Diagram CHRYSLER Car Manuals PDF & Wiring Diagrams above the page - 200, 300, Minivan, Pacifica, Town & Country; Chrysler EWDs - Imperial, New Yorker, Newport, Concorde, Cordoba; Chrysler standard and specific Fault Codes DTC..

Chrysler Remote Start Wiring Diagrams - Complete List ... Dan, as much as we would like to help you, most of the remote start wiring information listed on our website is provided by our visitors. We currently do not have any information on the 2011 Chrysler Town Country remote starter wiring but hopefully someone from our knowledgeable Modified Life community would be able to chime in and assist you. PDF Chrysler Grand Voyager Engine Diagram Fig. 24: 3.3L, Engine Performance Circuit, 6 Speed A/T (4 of 4) 3.3L FLEX FUEL 2008 Chrysler Town & Country LX 2008 SYSTEM WIRING DIAGRAMS Chrysler - Town & Country USING MITCHELL1'S WIRING DIAGRAMS - Voyager The 2020 Chrysler Voyager puts a premium on performance. Chrysler Town and Country Service Manual PDF [1999 ... You can find 1 different repair/service/workshop manuals for the Chrysler Town and Country on this page that are in the PDF format, totally free of charge.. Yearly Town and Country Service Manuals. The years available stretch from 1999 through to 1999 and to view the manual you just click the name. Chrysler Town and Country (2016) Fuse Box Diagram |🔧 Fuses ... Chrysler Town and Country (2016) Fuse Box Diagram Jonathan Yarden Mar 27, 2021 · 5 min. read In this article you will find a description of fuses and relays Chrysler, with photos of block diagrams and their locations. Highlighted the cigarette lighter fuse (as the most popular thing people look for).

All Wiring Diagrams for Chrysler Town & Country Limited 2011 ...

All Wiring Diagrams for Chrysler Town & Country Limited 2011 ...

Chrysler town and country wiring diagrams. specifically ... Chrysler town and country wiring diagrams. specifically color code from trans speed sensor to TCM, the computer is like Chrysler town and country wiring diagrams. specifically No reverse. 2007 chrysler town and country. 248500 no reverse JA: What's the year and model of your Chrysler?

2006 DODGE CARAVAN_CHRYSLER TOWN & COUNTRY Electrical WIRING DIAGRAMS  Manual | eBay

2006 DODGE CARAVAN_CHRYSLER TOWN & COUNTRY Electrical WIRING DIAGRAMS Manual | eBay

Electrical Wiring Diagram/pinout TIPM: Hello, I Would Like ... I've attached additional wiring diagrams below for the exterior lighting for your van. I've attached the US version first and export diagram second. The US diagram shows no offering of DRL- daytime running lights. The second set of diagrams (export) show a circuit called repeaters. Could that be what its called? I've attached them below.

Chrysler TOWN COUNTRY 06 2006 FACTORY Car Stereo Wiring ...

Chrysler TOWN COUNTRY 06 2006 FACTORY Car Stereo Wiring ...

All Wiring Diagrams for Chrysler Town & Country Limited ... 3.3L Flex Fuel, Engine Performance Wiring Diagram (3 of 4) for Chrysler Town & Country Limited 2010. Get Access all wiring diagrams car.

Color Wiring Diagrams for Chrysler & Imperial Cars ...

Color Wiring Diagrams for Chrysler & Imperial Cars ...

CHRYSLER Town & Country Wiring Diagrams - Car Electrical ... TOWN & COUNTRY Power Window Lift System Circuit Diagram TOWN & COUTRY Power Seat System Diagram Chrysler Town & Coutry Review After the first Chrysler Town & Country cars went on sale, around 10,000,000 models worldwide were sold. Therefore, they can be safely combined by leaders in their segment. Total read about 4 generations of the model.

2002 Chrysler town and country 3.8 liter - ScannerDanner ...

2002 Chrysler town and country 3.8 liter - ScannerDanner ...

Chrysler Town and Country (2010) - fuse box diagram - Auto ... Chrysler Town and Country - fuse box - Power outlet fuse. Fuse. Ampere rating [A] Description. 1 - M7. 20 A Yellow. Power Outlet Center Seat (Opt) or with Console Rear. 1 - M6. 20 A Yellow.

2014 Town & Country taillight schematic?| Grassroots ...

2014 Town & Country taillight schematic?| Grassroots ...

Chrysler 200 I (2011 - 2014) WIRING diagram - YouTube Download manual HERE manual is 637 pages including: wiring diagram, fuse box location and meanings, timing belt marks, water pump...

2000 Town and Country Limited Speaker Connections - Chrysler ...

2000 Town and Country Limited Speaker Connections - Chrysler ...

Chrysler town and Country Wiring Diagram - Free Wiring Diagram Variety of chrysler town and country wiring diagram. A wiring diagram is a simplified conventional photographic representation of an electrical circuit. It shows the elements of the circuit as simplified forms, and the power as well as signal links in between the tools.

2010 Town and Country Touring Rear Brake Lamp Intermittent ...

2010 Town and Country Touring Rear Brake Lamp Intermittent ...

1999 Chrysler Town and Country Wiring Diagram PDF ... You can view the 1999 Chrysler Town and Country Wiring Diagram PDF further down the page underneath this intro. Clicking on the "view full screen" button will take you to a full screen version of the manual that may be easier to read. Manual Cover Interactive PDF Manual

I NEED THE WIRING DIAGRAMS FOR A 2005 CHRYSLER TOWN & COUNTRY ...

I NEED THE WIRING DIAGRAMS FOR A 2005 CHRYSLER TOWN & COUNTRY ...

2004 Chrysler Town and Country Stereo Wiring Guide ... Whether your an expert Chrysler Town and Country mobile electronics installer, Chrysler Town and Country fanatic, or a novice Chrysler Town and Country enthusiast with a 2004 Chrysler Town and Country, a car stereo wiring diagram can save yourself a lot of time. Automotive wiring in a 2004 Chrysler Town and Country vehicles are becoming […]

Chrysler Caravan, Voyager, Town and Country 1984-1995 Wiring ...

Chrysler Caravan, Voyager, Town and Country 1984-1995 Wiring ...

Chrysler Town and Country (2012) - fuse box diagram - Auto ... Chrysler Town and Country - fuse box - Power outlet fuse. Fuse. Ampere rating [A] Description. 1 - M7. 20 A Yellow. Power Outlet Center Seat (Opt) or with Console Rear. 1 - M6. 20 A Yellow.

2009 Chrysler Town & Country Touring 4.0L P2100 Throttle ...

2009 Chrysler Town & Country Touring 4.0L P2100 Throttle ...

PDF Chrysler Engine Diagrams diagram for the 3.0L engine-1997-99 Access our Chrysler Caravan, Voyager, Town and Country 1996-1999 Vacuum Diagrams Repair Guide by creating an account or signing Chrysler Engine Vacuum Diagrams - time.simplify.com.my Wiring Diagram For Chrysler 300 Diagrams Schematics Simple We collect lots of pictures about 2006 Chrysler 300 Engine

Chrysler Voyager Caravan Town Country 1997-2005

Chrysler Voyager Caravan Town Country 1997-2005

Download Free Chrysler Town and Country Repair Manual PDF A large portion of the manual is also dedicated to electrical equipment and wiring diagrams e.g. audio, ignition system, vehicle theft security, message system, lamps, etc. What will you learn from a Town and Country Repair Manual? The free downloadable book outlines factory recommended service, maintenance, troubleshooting and repair procedures.

CHRYSLER TOWN & COUNTRY 1989-2005 VEHICLE WIRING

CHRYSLER TOWN & COUNTRY 1989-2005 VEHICLE WIRING

PDF 2001 Town Country Manual 1998 Chrysler Town \u0026 Country Transmission Diagnosis -Fixing it ForwardFree Chilton Manuals Online Chrysler Town \u0026 Country Transmission Removal and Replacement How To Do a Hard Reset On Your Chrysler / Dodge / Jeep Vehicle TIPM / Fuse Box Quick Tip: Signs of a blown IOD Fuse on a Chrysler, Dodge, Jeep, Fiat, or Ram product

Looking for wiring diagram....2011 TC touring. | The Chrysler ...

Looking for wiring diagram....2011 TC touring. | The Chrysler ...

2022 quick repair for 2000 Chrysler Town & Country LXi 3.8L ...

2022 quick repair for 2000 Chrysler Town & Country LXi 3.8L ...

2005 Chysler Town & Country and Dodge Caravan Wiring ...

2005 Chysler Town & Country and Dodge Caravan Wiring ...

Wiring-Engine & Related Parts for 2007 Chrysler Town ...

Wiring-Engine & Related Parts for 2007 Chrysler Town ...

Chrysler Town & Country Questions - Chrysler 2000 T&C, Can I ...

Chrysler Town & Country Questions - Chrysler 2000 T&C, Can I ...

2005 Chrysler Town and Country Sport - Heating and A/C ...

2005 Chrysler Town and Country Sport - Heating and A/C ...

Bulldog Security Diagrams

Bulldog Security Diagrams

CHRYSLER Town & Country Wiring Diagrams:Amazon.com:Appstore ...

CHRYSLER Town & Country Wiring Diagrams:Amazon.com:Appstore ...

Gears Magazine - TIPM Problems! Intermittent Fail Safe, Codes ...

Gears Magazine - TIPM Problems! Intermittent Fail Safe, Codes ...

Sparky's Answers - 2003 Chrysler Town and Country Van Blower ...

Sparky's Answers - 2003 Chrysler Town and Country Van Blower ...

Circuit and Wiring Diagram: 1997 Chrysler Town and Country ...

Circuit and Wiring Diagram: 1997 Chrysler Town and Country ...

2007 Dodge Caravan/Chrysler Town & Country Trailer Brake ...

2007 Dodge Caravan/Chrysler Town & Country Trailer Brake ...

CHRYSLER Town & Country Wiring Diagrams:Amazon.com:Appstore ...

CHRYSLER Town & Country Wiring Diagrams:Amazon.com:Appstore ...

2000 chrysler town and country

2000 chrysler town and country

Dodge Caravan / Dodge Grand Caravan / Chrysler Voyager / Chrysler Town  Country / Plymouth Voyager / Plymouth Grand Voyager 1995 thru 2001, wiring  ...

Dodge Caravan / Dodge Grand Caravan / Chrysler Voyager / Chrysler Town Country / Plymouth Voyager / Plymouth Grand Voyager 1995 thru 2001, wiring ...

2013 town and country pcm wire diagram | The Chrysler Minivan ...

2013 town and country pcm wire diagram | The Chrysler Minivan ...

Chrysler Full-Size Trucks 1997-2000 Wiring Diagrams Repair ...

Chrysler Full-Size Trucks 1997-2000 Wiring Diagrams Repair ...

Custom Wiring Harness (4-Way Flat Output) SKU #55537 for ...

Custom Wiring Harness (4-Way Flat Output) SKU #55537 for ...

Chrysler Town, Dodge Caravan. Manual - part 130

Chrysler Town, Dodge Caravan. Manual - part 130

Chrysler Town & Country Questions - Right front signal not ...

Chrysler Town & Country Questions - Right front signal not ...

Fuse Box Diagram Chrysler Town & Country (2008-2016)

Fuse Box Diagram Chrysler Town & Country (2008-2016)

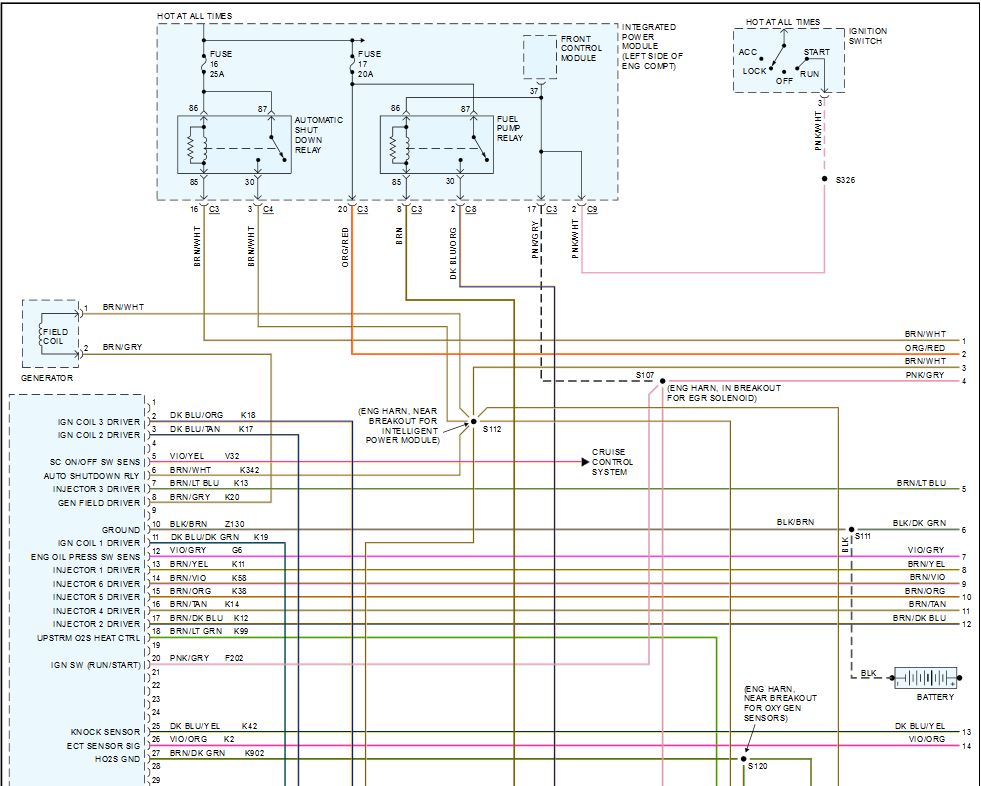
Fuel Pump Circuit Wiring Diagram (1996-1997 3.8L Chrysler ...

Fuel Pump Circuit Wiring Diagram (1996-1997 3.8L Chrysler ...

Chrysler 200 I (2011 - 2014) WIRING diagram - manual - YouTube

Chrysler 200 I (2011 - 2014) WIRING diagram - manual - YouTube

Wiring - Engine - 2015 Chrysler Town & Country

Wiring - Engine - 2015 Chrysler Town & Country

All Wiring Diagrams for Chrysler Town & Country Limited 2006 ...

All Wiring Diagrams for Chrysler Town & Country Limited 2006 ...

Part 2 -Starter Motor Circuit Wiring Diagram (1991-1993 3.3L ...

Part 2 -Starter Motor Circuit Wiring Diagram (1991-1993 3.3L ...

Comments

Popular posts from this blog

41 botox injection sites diagram

43 restaurant er diagram

39 mercury outboard cooling system diagram