42 4 solenoid winch wiring diagram
Ramsey 8000 Winch Wiring Diagram - Wiring Diagrams Hubs - 4 Pole Solenoid Wiring Diagram. Wiring Diagram arrives with several easy to follow Wiring Diagram Instructions. It's intended to assist all of the common person in building a suitable program. These directions will probably be easy to comprehend and use. Warn winch wiring diagram 4 solenoid Youll need a comprehensive professional and easy to understand Wiring Diagram. 10 Warn Winch Wiring Diagram 4 Solenoid. At times the cables will cross. Albright Winch solenoid Wiring Diagram wiring diagram is a simplified tolerable pictorial representation of an electrical circuitIt shows the components of ...
Warn Winch Wiring Diagram 4 solenoid wiring diagram is a simplified tolerable pictorial representation of an electrical circuit. Diagram x8000i winch solenoids wiring diagram post. Winch Solenoid Wiring Page 2 Jeepforumcom Winch Winch Solenoid Warn Winch Architectural wiring diagrams feat the approximate locations and interconnections of receptacles lighting and long-lasting electrical ...

4 solenoid winch wiring diagram
Warn Winch Wiring Diagram 4 Solenoid - warn winch wiring diagram 4 solenoid, Every electrical structure is made up of various diverse components. Each part ought to be set and connected with different parts in specific way. If not, the arrangement will not work as it ought to be. Warn Winch Wiring Diagram Solenoid At 62135 To Beautiful With At - Warn Winch Wiring Diagram Solenoid. Wiring diagram also offers beneficial suggestions for tasks that might require some extra tools. This guide even includes suggestions for added supplies that you might require as a way to end your assignments. Warn Winch Rebuild Video #4, Albright Solenoid Install - Youtube - Winch Wiring Diagram Uploaded by Hadir on Thursday, February 14th, 2019 in category Wiring Diagram.. See also 2008 Keeway Superlight 125 - Moto.zombdrive - Winch Wiring Diagram from Wiring Diagram Topic.. Here we have another image Wiring Diagrams - Winch Wiring Diagram featured under Warn Winch Rebuild Video #4 ...
4 solenoid winch wiring diagram. For those of you that need winch solenoid wiring diagrams - see the website below. The wiring diagrams they have created cover just about all winches and winch motors in the market. This is what I used to rebuild and sedesign the solenoid wiring for my winch. Information drawings page Hope this is a valuable resource to someone. This is how a 4-pole starter solenoid switch is connected. One of the larger terminals is connected to the hot wire coming from the battery, the second large terminal is connected to the starter, the first smaller terminal (S) connects to the ignition switch, the second small terminal connects to either ballast resistor (R) or ignition coil (I) and is generally unused. Warn Winch Wiring Diagrams Nc4x4. Orcish winch solenoid relay 12v 500a how do i bypass solenoids ih8mud forum wiring diagram badland winches parts 12vdc 6 post waterwich 250a to wire a without figure h l difflock view topic motor 4x4 tekne atv kontrol 12 24v hd contactor control 2pcs wireless remote need help if someone ot sidewinder utv vehicles 8000 lbs 12000 warn diagrams nc4x4 superwinch ... A winch solenoid wiring diagram can help out in this stage, showing you the motor's design. The diagram will help in ... Step 4: Connecting The Jumper Wire.When You Need To Wire A Win...How To Wire A Winch Without...Final Word1 of 3It is an agreeable fact that the solenoid is very significant to the winch motor. As earlier hinted, it reduces the stress factor, which prevents the winch from burning up. It is also easy to control,Continue on winches.review »
Atv winch wiring kit free printable diagram database for warn in warn winch solenoid m inside on grip lb electric winch wiring diagram. 4 pole solenoid wiring diagram wiring diagram 4 pole solenoid wiring diagram. The wiring and connections may be a. From the starter switch to the solenoid goes a thin wire that powers the. Warn Winch Wiring Diagram 4 Solenoid. December 17, 2021 · Wiring Diagram. by Anna R. Higginbotham. warn winch wiring diagram 4 solenoid - You'll need a comprehensive, professional, and easy to understand Wiring Diagram. With this sort of an illustrative manual, you'll be capable of troubleshoot, stop, and total your tasks with ease. 12 Volt Winch Solenoid Wiring Diagram - 12 volt winch 2 solenoid wiring diagram, 12 volt winch motor wiring diagram, 12 volt winch solenoid wiring diagram, Every electric structure consists of various distinct pieces. Each part ought to be set and linked to other parts in particular manner. Otherwise, the structure won't work as it should be. Warn Winch Wiring Diagram 4 solenoid Badland Winch Wiring Diagram Unique Warn 12k Winch Wiring. Find this Pin and more on sam by Jacekko. Atv Winch. Winch Solenoid. D Lighting. Lighting Ideas. Light Switch Wiring. Electric Circuit. Electrical Wiring Diagram.
A wiring diagram is a simplified standard photographic depiction of an electrical circuit. It makes the process of assembling circuit easier. Wiring Diagrams - T-MAX. 62871 atv winch solenoid solenoid for the warn a2000 atv winch warn winch wiring diagram solenoid. It shows the parts of the circuit as streamlined shapes and also the power as ... Warn Winch Wiring Diagram 4 Solenoid - warn winch wiring diagram 4 solenoid, Every electrical arrangement is composed of various diverse pieces. Each part ought to be set and connected with different parts in particular way. Otherwise, the structure won't work as it should be. 12 Volt Winch Solenoid Wiring Diagram | Manual E-Books - 12 Volt Winch Solenoid Wiring Diagram. You are able to usually rely on Wiring Diagram being an essential reference that will help you save time and money. With the help of the guide, you can very easily do your own wiring tasks. Ramsey Winch Wiring Diagram Solenoid - Wiring Diagram Data - Ramsey Winch Wiring Diagram. Wiring Diagram contains several detailed illustrations that present the connection of various things. It includes guidelines and diagrams for various varieties of wiring strategies as well as other things like lights, windows, etc.
Find solutions to your 12 volt solenoid wiring diagram warn winch question. Get free help, tips & support from top experts on 12 volt solenoid wiring diagram. Integrated Solenoids. 3. 2. Thank you of your winch. Correct installation of your winch is a requirement for proper operation. Quantity.
Ramsey 8000 Winch Wiring Diagram - Wiring Diagrams Hubs - 4 Pole Solenoid Wiring Diagram. Wiring Diagram arrives with several easy to follow Wiring Diagram Instructions. It's intended to assist all of the common person in building a suitable program. These directions will probably be easy to comprehend and use.
1978 Ford Bronco Solenoid Wiring Diagram. Rain Bird Solenoid Valve Wiring Diagram. 2014 Polaris Ranger Winch Wiring Diagram. 1977 Ford F150 Starter Solenoid Wiring Diagram. Cole Hersee Continuous Duty Solenoid Wiring Diagram. 5r110 Solenoid Diagram.
warn winch wiring diagram 4 solenoid - You'll need a comprehensive, professional, and easy to understand Wiring Diagram. With this sort of an illustrative manual, you'll be capable of troubleshoot, stop, and total your tasks with ease.
Ramsey REP8000 winch solenoid wiring diagram.... Jump to Latest Follow 1 - 12 of 12 Posts. B ... This diagram covers pretty much all 4 solenoid winches. EDIT: I am retarded and did not notice that you need the diagram for a 2 solenoid.....But here it the 4 solenoid setup just 'cause.
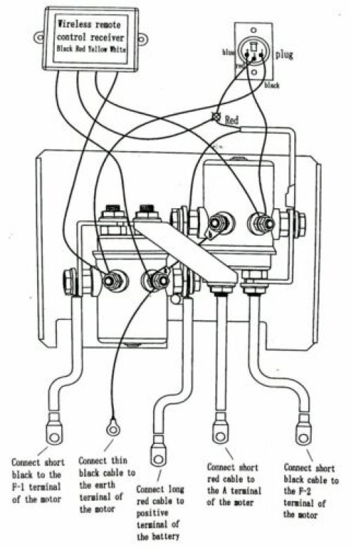
Badland 18000 Winch Wiring Diagram. From the below wiring diagram, use the wire color code guide and attach the yellow, black/red cables to the terminals on the winch. The red wire is connected from the solenoid box to the battery positive side.
Quick demo on how to wire up the cheap universal 500 amp winch solenoids that can be found on Ebay and Amazon. Installed with a Smittybilt XRC8 in this case.
Warn Winch Rebuild Video #4, Albright Solenoid Install - Youtube - 12 Volt Winch Solenoid Wiring Diagram Uploaded by Anna R. Higginbotham on Friday, February 15th, 2019 in category Wiring Diagram.. See also How To Wire A 12V Winch - Sherpa 4X4 "the Colt" - Youtube - 12 Volt Winch Solenoid Wiring Diagram from Wiring Diagram Topic.. Here we have another image Warn M10000 Winch Solenoid ...
Warn Winch Wiring Diagram Besides Winch Solenoid Switch Wiring - Warn Winch Wiring Diagram 4 Solenoid Wiring Diagram will come with a number of easy to stick to Wiring Diagram Instructions. It really is intended to aid each of the average consumer in building a suitable system.
Warn Winch Wiring Diagram | Best Wiring Library - Warn Winch Wiring Diagram 4 Solenoid. Wiring Diagram consists of numerous detailed illustrations that show the connection of assorted things. It consists of guidelines and diagrams for various types of wiring methods as well as other products like lights, home windows, and so forth.
WIRING THE WINCH • Install the wiring using the diagram on the next page. • Slip terminal boots on yellow and blue cable ends. Connect the yellow and blue cables to the color-matched motor terminals on the winch. Tighten the terminal nuts on the motor. DO NOT overtighten. Seat boots over terminal. Route the other ends to the
Warn Winch Wiring Diagram - warn winch wiring diagram, warn winch wiring diagram 2 solenoid, warn winch wiring diagram 3 solenoid, Every electrical arrangement consists of various unique components. Each component ought to be set and linked to other parts in particular manner. Otherwise, the arrangement will not work as it should be.
Warn Winch Rebuild Video #4, Albright Solenoid Install - Youtube - Winch Wiring Diagram Uploaded by Hadir on Thursday, February 14th, 2019 in category Wiring Diagram.. See also 2008 Keeway Superlight 125 - Moto.zombdrive - Winch Wiring Diagram from Wiring Diagram Topic.. Here we have another image Wiring Diagrams - Winch Wiring Diagram featured under Warn Winch Rebuild Video #4 ...
Warn Winch Wiring Diagram Solenoid At 62135 To Beautiful With At - Warn Winch Wiring Diagram Solenoid. Wiring diagram also offers beneficial suggestions for tasks that might require some extra tools. This guide even includes suggestions for added supplies that you might require as a way to end your assignments.
Warn Winch Wiring Diagram 4 Solenoid - warn winch wiring diagram 4 solenoid, Every electrical structure is made up of various diverse components. Each part ought to be set and connected with different parts in specific way. If not, the arrangement will not work as it ought to be.
Comments
Post a Comment