42 2003 chevy silverado wiring diagram

Listed below is the vehicle specific wiring diagram for your car alarm, remote starter or keyless entry installation into your 2003-2006 Chevrolet Silverado.This information outlines the wires location, color and polarity to help you identify the proper connection spots in the vehicle. 2003 Chevy Silverado Radio Wiring Diagram 2003 Chevy Silverado, Bing Images, Diagram, Wire. bingteam. Microsoft Bing. 554k followers.

2003 Chevy Silverado Ignition Wiring Diagram 1976 Chevy Truck, 2003 Chevy Silverado, Chevy Trucks. bingteam. Microsoft Bing. 554k followers.

2003 chevy silverado wiring diagram

2003 chevy silverado wiring diagram

Jan 03, 2014 · 2003 chevy silverado wiring diagram – thanks for visiting my web site, this article will certainly review regarding 2003 chevy silverado wiring diagram. We have actually collected numerous photos, with any luck this picture works for you, and assist you in locating the response you are trying to find. Aug 15, 2017 · You may be a specialist that intends to seek referrals or fix existing troubles. Or you are a pupil, or maybe even you that simply wish to know about 2003 Chevy Silverado 2500Hd Wiring Diagram. Wiring Diagram For 2001 Chevy Silverado – Readingrat, size: 800 x 600 px, source: ww2.justanswer.com. Whatever you are, we try to bring the material ... Jan 07, 2020 · 2003 Chevy Silverado 2500hd Wiring Diagramwiring diagram is a simplified normal pictorial representation of an electrical circuit. It shows the components of the circuit as simplified shapes, and the capability and signal contacts amongst the devices.

2003 chevy silverado wiring diagram. 2003 Chevy Truck Radio Wiring Diagram and Chevrolet Silverado Radio Wiring Diagram - Getting - 18+ 2003 Chevy Truck Radio Wiring Diagram - Wiringg.net ... Dec 12, 2017 · Turn Signals Wiring Diagram Please When I Use The Signal. All wiring diagrams for chevrolet 2003 silverado cam sensor hvac diagram gm 2500 hd 5 3 harness here power door locks ignition system in my chevy 1500 coil circuit i have a anti lock brakes body cars trucks headlight and tail light k1500 ext cab 3l 2011 wt turn signals please stereo 2004 er motor driver seat schematics repair guide ... Feb 09, 2019 · As stated earlier, the lines in a 2003 Chevy Silverado Wiring Diagram represents wires. Occasionally, the wires will cross. But, it does not mean link between the wires. Injunction of two wires is generally indicated by black dot to the intersection of two lines. Chevy Silverado Wiring Diagram Electrical Circuit Diagram, Chevy Silverado, Pictogram, Bing Images,. bingteam. Microsoft Bing. 554k followers.

2003-2006 Chevrolet Silverado Wiring Diagram: Listed below is the vehicle specific wiring diagram for your car alarm, remote starter or keyless entry ... 2003 Chevy Silverado Fuel Pump Wiring Diagram 2003 Chevy Silverado, Electrical Diagram, Mopar,. bingteam. Microsoft Bing. 554k followers. Chevy Silverado Radio Wiring Harness Diagram With Simple Pics 6703 throughout 1994 Chevy Silverado Wiring Diagram | Fuse Box And Wiring Diagram. 2003 Chevy Silverado Fuel Pump Wiring Diagram. More information. 2003 Chevy Silverado · Electrical Diagram.

Jan 07, 2020 · 2003 Chevy Silverado 2500hd Wiring Diagramwiring diagram is a simplified normal pictorial representation of an electrical circuit. It shows the components of the circuit as simplified shapes, and the capability and signal contacts amongst the devices. Aug 15, 2017 · You may be a specialist that intends to seek referrals or fix existing troubles. Or you are a pupil, or maybe even you that simply wish to know about 2003 Chevy Silverado 2500Hd Wiring Diagram. Wiring Diagram For 2001 Chevy Silverado – Readingrat, size: 800 x 600 px, source: ww2.justanswer.com. Whatever you are, we try to bring the material ... Jan 03, 2014 · 2003 chevy silverado wiring diagram – thanks for visiting my web site, this article will certainly review regarding 2003 chevy silverado wiring diagram. We have actually collected numerous photos, with any luck this picture works for you, and assist you in locating the response you are trying to find.

pink and yellow flower in tilt shift lens

pink and yellow flower in tilt shift lens

Turn Signals Wiring Diagram Please: When I Use the Turn Signal, ...

Turn Signals Wiring Diagram Please: When I Use the Turn Signal, ...

2006 Chevy Silverado Radio Wiring Diagram | Free Wiring ...

2006 Chevy Silverado Radio Wiring Diagram | Free Wiring ...

2002 Chevy Silverado 2500hd Wiring Diagram - Wiring Schema

2002 Chevy Silverado 2500hd Wiring Diagram - Wiring Schema

1997 Chevy Silverado Fuse Box Diagram — UNTPIKAPPS

1997 Chevy Silverado Fuse Box Diagram — UNTPIKAPPS

2003 CHEVY 1500, 1500 TRUCK, I need information:Fuse Panel under hood connectors C1, C3 and C4 ...

2003 CHEVY 1500, 1500 TRUCK, I need information:Fuse Panel under hood connectors C1, C3 and C4 ...

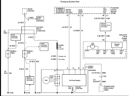
POWER DISTRIBUTION – Chevrolet Silverado 1500 HD 2003 – SYSTEM WIRING DIAGRAMS – Wiring diagrams for cars

POWER DISTRIBUTION – Chevrolet Silverado 1500 HD 2003 – SYSTEM WIRING DIAGRAMS – Wiring diagrams for cars

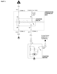
Part 1 -Starter Motor Circuit Wiring Diagram (2001-2002 V8 Chevrolet Silverado, GMC Sierra)

Part 1 -Starter Motor Circuit Wiring Diagram (2001-2002 V8 Chevrolet Silverado, GMC Sierra)

2000 Chevy Silverado Abs Module Diagram — UNTPIKAPPS

2000 Chevy Silverado Abs Module Diagram — UNTPIKAPPS

Headlight And Tail Light Wiring Schematic / Diagram - Typical 1973 - 1987 Chevrolet Truck, Chevy Truck Wiring - Chuck's Chevy Truck Pages

Headlight And Tail Light Wiring Schematic / Diagram - Typical 1973 - 1987 Chevrolet Truck, Chevy Truck Wiring - Chuck's Chevy Truck Pages

2000 Chevy Silverado Fuel Pump Wiring Diagram | Wiring Diagram

2000 Chevy Silverado Fuel Pump Wiring Diagram | Wiring Diagram

2006 Chevy Silverado Wiring Diagram | Free Wiring Diagram

2006 Chevy Silverado Wiring Diagram | Free Wiring Diagram

2004 Silverado Wiring Diagram Pdf | Free Wiring Diagram

2004 Silverado Wiring Diagram Pdf | Free Wiring Diagram

4x4 Switch Wiring Shematic | GMC Truck Forum

4x4 Switch Wiring Shematic | GMC Truck Forum

2001 Chevy Suburban Radio Wiring Diagram | Free Wiring Diagram

2001 Chevy Suburban Radio Wiring Diagram | Free Wiring Diagram

black car on gray asphalt road during daytime

black car on gray asphalt road during daytime

2012 Chevy Silverado Wiring Diagram - Wiring Forums

2012 Chevy Silverado Wiring Diagram - Wiring Forums

2011 Chevy Silverado Trailer Wiring Diagram | Trailer ...

2011 Chevy Silverado Trailer Wiring Diagram | Trailer ...

2009 Silverado Trailer Wiring Diagram - Wiring Forums

2009 Silverado Trailer Wiring Diagram - Wiring Forums

Chevrolet Silverado 5.3 P1125 2003 Engine Electrical Circuit Wiring Diagram - CarFuseBox

Chevrolet Silverado 5.3 P1125 2003 Engine Electrical Circuit Wiring Diagram - CarFuseBox

brown and gray metal tools

brown and gray metal tools

2007 Chevy Silverado Radio Wiring Harness Diagram | Wiring ...

2007 Chevy Silverado Radio Wiring Harness Diagram | Wiring ...

2003 Chevy Silverado 2500Hd Wiring Diagram - Wiring Forums

2003 Chevy Silverado 2500Hd Wiring Diagram - Wiring Forums

2006 Chevy Silverado Radio Wiring Diagram | Free Wiring ...

2006 Chevy Silverado Radio Wiring Diagram | Free Wiring ...

black metal candle lantern on white wall

black metal candle lantern on white wall

2005 Trailblazer Radio Wiring Diagram

2005 Trailblazer Radio Wiring Diagram

Wiring Diagram 2005 Chevy Silverado Database

Wiring Diagram 2005 Chevy Silverado Database

white and yellow ice cream with cone

white and yellow ice cream with cone

2002 Chevy Silverado Trailer Wiring Diagram | Free Wiring ...

2002 Chevy Silverado Trailer Wiring Diagram | Free Wiring ...

2012 Chevy Silverado Wiring Diagram - Wiring Forums

2012 Chevy Silverado Wiring Diagram - Wiring Forums

2003 Chevy Silverado Wiring Diagram | Wiring Diagram

2003 Chevy Silverado Wiring Diagram | Wiring Diagram

Wiring Diagram Archives - Page 3 of 167 - Wiring Forums

Wiring Diagram Archives - Page 3 of 167 - Wiring Forums

CHEVROLET Car Radio Stereo Audio Wiring Diagram Autoradio connector wire installation schematic schema esquema de conexiones Anschlusskammern konektor

CHEVROLET Car Radio Stereo Audio Wiring Diagram Autoradio connector wire installation schematic schema esquema de conexiones Anschlusskammern konektor

silver and black round coins

silver and black round coins

1999 Chevrolet Chevy Wiring Diagram | Auto Wiring Diagrams

1999 Chevrolet Chevy Wiring Diagram | Auto Wiring Diagrams

2004 Chevy Silverado Trailer Wiring Diagram | Cadician's Blog

2004 Chevy Silverado Trailer Wiring Diagram | Cadician's Blog

I have a 2003 Chevy Silverado 1500 HD with a 6 liter engine and auto transmision. I started having problems with the

I have a 2003 Chevy Silverado 1500 HD with a 6 liter engine and auto transmision. I started having problems with the

2003 Silverado 2500hd 8.1l Wiring Diagram

2003 Silverado 2500hd 8.1l Wiring Diagram

SOLVED: I need a wiring or instalation diagram for 03 - Fixya

SOLVED: I need a wiring or instalation diagram for 03 - Fixya

2003 Chevy Silverado 2500Hd Wiring Diagram - Wiring Forums

2003 Chevy Silverado 2500Hd Wiring Diagram - Wiring Forums

1995 Chevy Silverado Wiring Diagram | Wiring Diagram

1995 Chevy Silverado Wiring Diagram | Wiring Diagram

2004 Chevy Silverado Blower Motor Resistor Wiring Diagram - AHMADS030

2004 Chevy Silverado Blower Motor Resistor Wiring Diagram - AHMADS030

Comments

Popular posts from this blog

41 botox injection sites diagram

43 restaurant er diagram

39 mercury outboard cooling system diagram